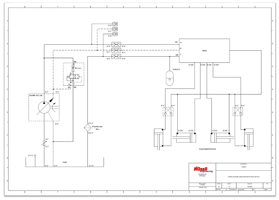
Nüssli Engineering ist Ihr Partner bei der Konzipierung, Entwicklung und Integration von Hydraulikanlagen in Nutzfahrzeugen.
Gerne unterstützen wie Sie bei Ihren Projekten mit den folgenden Dienstleitungen:
- Konzipierung von Nutzfahrzeug Hydraulikanlagen
- Bestimmung von Komponenten
- Integration der Hydraulikanlage in Ihren LKW

